热线电话:139 1533 8683(微信同号)
0510 - 8355 9028

机床伺服液压系统
专利申请号:2024102713948
专利产品  仿冒必究

产品详情

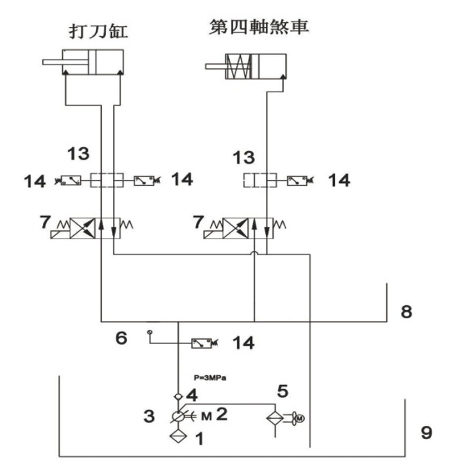
四五轴加工机液压刹车

龙门加工机(含配重缸)

卧式镗车(含配重缸)

车铣复合机床

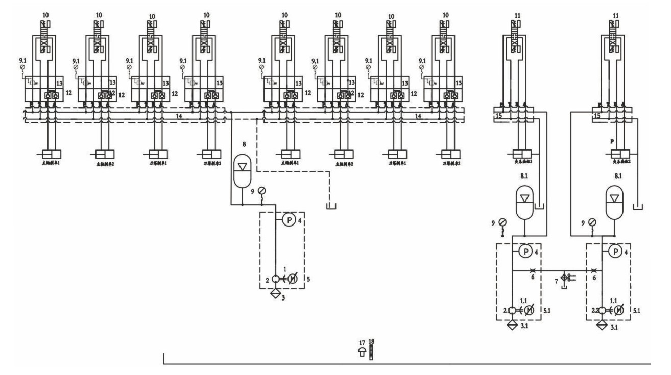
数控车床(双主轴双刀塔)三伺服液压站

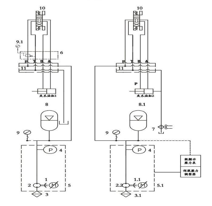
平衡缸(配重缸)伺服液压站

齿轮头伺服液压站

一.智能便捷,稳定可靠 / Intelligent and convenient, stable and reliable 伺服驱动器可联接0-10V信号发生器,调节定液压站系统压力及流量,液压站油压控制可低至1KG+-0.1KG,稳定且精准,提升了产品良率及生产稳定性。

通过上位机或自带PLC控制,伺服驱动器可直接设定指令。伺服液压站可完成任意压力速度调整,误差值低于1%,可实现精确控制多段压力及速度。


二.降本增效,提升收益 / Reduce costs and increase efficiency, increase profits数控车床节能耗电量实例


→ 特殊要求:压力波动≤0.5bar 实测波动≤0.2bar
→ 工件类型:半导体靶材
→ 异步液压站电机功率:2.2KW
→ 平均单台节能/时:0.9KW   单台节能电量:5400KW

三.节能环保,降低排碳 Intelligent and convenient,stable and reliable液压伺服控制技术,为客户提供大幅节能的生产方案,环保高效可以有效降低生产能耗。消除无用功损耗,节能率可达35%-90%。

四.静音运行,降噪减振伺服液压站采用伺服专用油泵,
保压转速低,脉动小,无震动,无噪音。
液压站工作噪音最高仅75分贝(含环境噪音)。

五.油温稳定,减少故障伺服液压站无需调压阀和溢流阀,温度可控制在45度以下,大部分工况无须装冷却系统。
伺服液压站采用压力与速度闭环控制0-10V高精度的压力传感器,通过伺服驱动器精确调控,使油压波动稳定在+-1(kg/cm²)以内。

六.多种场景,应用广泛我们提供各式伺服液压站应用方案,工作压力1-30MPa,系统流量10-8000L/min,全面覆盖各行业液压站,使用场景涉及行业有金属加工,塑料成型,炼钢,采矿,工程机械,橡胶机械,升降设备等。





欢迎您和我们留言